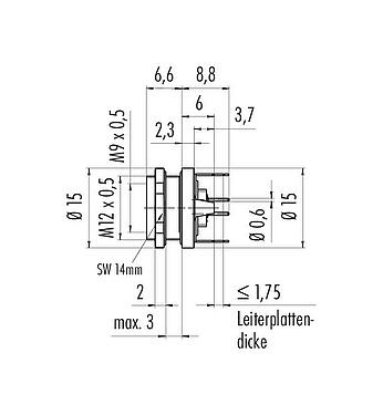
Artikelnummer: 09 0412 30 04
M9 Flanschdose, Polzahl: 4, schirmbar, THT, IP67, M12x0,5, Rückwandmontage, vergossen
M9 IP67, Serie 712, Subminiatur Steckverbinder
Allgemeine Kennwerte
mehrweniger| Artikelnummer | 09 0412 30 04 |
| Steckverbinder-Bauform | Flanschdose |
| Ausführung | Steckverbinder, Buchse, gerade |
| Steckverbinder Verriegelung | schrauben |
| Anschlussart | THT |
| Schutzart | IP67 |
| Temperaturbereich von / bis | -40 °C / 85 °C |
| Mechanische Lebensdauer | > 500 Steckzyklen |
| Gewicht (gr) | 6.79 |
| Zolltarifnummer | 85369010 |
| Ursprungsland | DE |
Elektrische Kennwerte
mehrweniger| Bemessungsspannung | 125 V |
| Bemessungs-Stoßspannung | 1500 V |
| Bemessungsstrom | 3,0 A |
| Isolationswiderstand | ≥ 108 Ω |
| Verschmutzungsgrad | 1 |
| Überspannungskategorie | II |
| Isolierstoffgruppe | III |
| EMV-Tauglichkeit | schirmbar |
| Schirmanbindung | Schirmblech |
Werkstoffe
mehrweniger| Material Kontaktkörper | PA (UL94 V-0) |
| Material Kontakt | CuSn (Bronze) |
| Kontaktoberfläche | Au (Gold) |
| REACH SVHC |
CAS 7439-92-1 (Lead) |
| SCIP Nummer | 39dd64af-483e-478d-ace3-d98f6710a8ea |
Klassifikationen
mehrweniger| eCl@ss 11.1 | 27-44-01-09 |
| ETIM 9.0 | EC003569 |
Trade-Compliance
mehrweniger| Kupfer (9903.78.01) | 0.001013 kg |
Sicherheitshinweise / Montagehinweise
- Der Steckverbinder darf nicht unter Last gesteckt oder getrennt werden. Eine Nichtbeachtung sowie unsachgemäße Verwendung kann Personenschäden zur Folge haben.
- Die Steckverbinder sind für Einsatzbereiche im Anlagen-, Steuerungs- und Elektrogerätebau entwickelt worden. Die Überprüfung, ob die Steckverbinder auch in anderen Einsatzgebieten verwendet werden können, obliegt dem Anwender.
- Steckverbinder mit der Schutzart IP67 und IP68 sind nicht für die Verwendung unter Wasser geeignet. Beim Einsatz im Freien müssen die Steckverbinder gesondert gegen Korrosion geschützt werden. Weitere Infos zu den IP Schutzarten siehe im Bereich Downloadcenter „Technische Informationen“.
Downloads
Datenblatt
Datenblatt 09 0412 30 04
herunterladen
REACH
09 0412 30 04
herunterladen
RoHS
09 0412 30 04
herunterladen
China RoHS
09 0412 30 04
herunterladen
EPLAN Daten
09 0412 30 04
herunterladen
Verifizierung für Download
Bitte schließen Sie die Verifizierung ab, um den CAD-Download fortzusetzen.
CAD-Daten
Gewünsches Format auswählen





