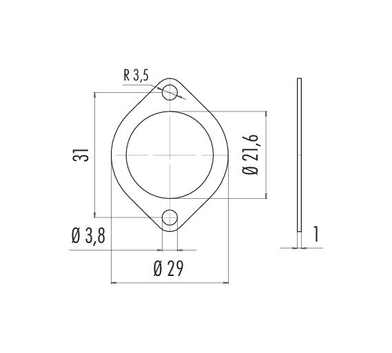
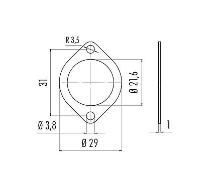
Allgemeine Kennwerte
mehrweniger| Artikelnummer | 04 0722 000 |
| Steckverbinder-Bauform | Dichtung |
| Gewicht (gr) | 0.5 |
| Zolltarifnummer | 85369010 |
| Ursprungsland | DE |
Werkstoffe
mehrweniger| SCIP Nummer | SCIP-number not available |
| Werkstoff | Perbunan schwarz 70 Shore A |
Klassifikationen
mehrweniger| eCl@ss 11.1 | 27-44-01-92 |
Sicherheitshinweise / Montagehinweise
- Durch den Anwender sind geeignete Sicherheitsvorkehrungen zu treffen, damit der Steckverbinder nicht versehentlich gelöst werden kann.

