Allgemeine Kennwerte
mehrweniger| Artikelnummer | 16 8091 000 |
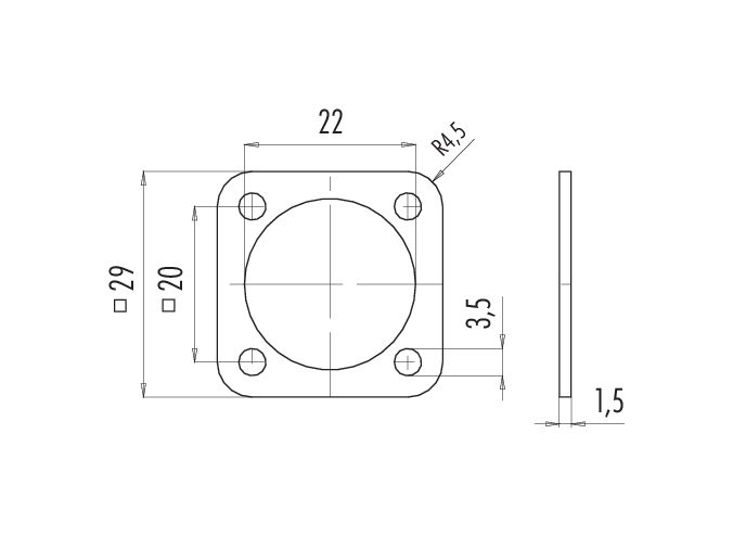
| Steckverbinder-Bauform | Dichtung |
| Gewicht (gr) | 0.854 |
| Zolltarifnummer | 40169300 |
| Ursprungsland | DE |
Werkstoffe
mehrweniger| SCIP Nummer | 90794aee-19b3-4c01-be6a-79e725ec901a |
| Werkstoff | NBR beige 62 Shore A |
Klassifikationen
mehrweniger| eCl@ss 11.1 | 27-44-01-92 |
Sicherheitshinweise / Montagehinweise
- Durch den Anwender sind geeignete Sicherheitsvorkehrungen zu treffen, damit der Steckverbinder nicht versehentlich gelöst werden kann.

