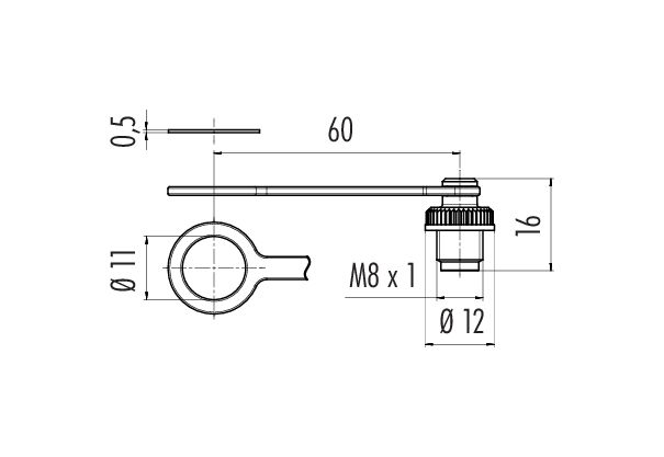
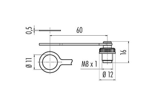
Allgemeine Kennwerte
mehrweniger| Artikelnummer | 08 2973 000 000 |
| Steckverbinder-Bauform | Schutzkappe |
| Schutzart | IP67 |
| Temperaturbereich | -40 °C/+85 °C |
| Gewicht (gr) | 1.29 |
| Zolltarifnummer | 85366990 |
| Ursprungsland | DE |
Werkstoffe
mehrweniger| Material Kontaktkörper | schwarz |
| Material Schutzkappe | PA |
| Material Halteband | PUR |
| REACH SVHC |
None (No pollutants) |
| SCIP Nummer | SCIP-number not available |
Klassifikationen
mehrweniger| eCl@ss 11.1 | 27-44-02-08 |
| ETIM 9.0 | EC002314 |
Sicherheitshinweise / Montagehinweise
- Durch den Anwender sind geeignete Sicherheitsvorkehrungen zu treffen, damit der Steckverbinder nicht versehentlich gelöst werden kann.

