Artikelnr.: 86 6518 1100 00008
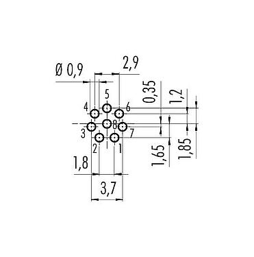
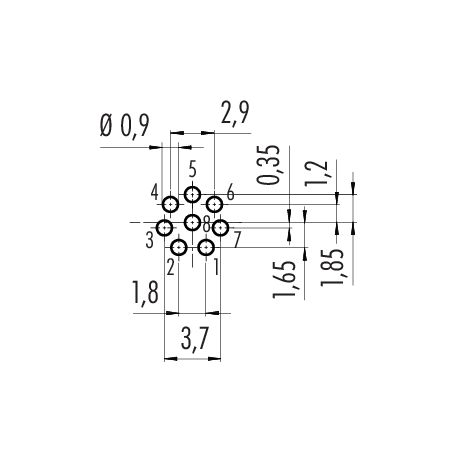
M8 Female panel mount connector, aantal polen: 8, onafgeschermd, THT, IP67, UL 2238, M12x1,0, Achterwandmontage
M8, Serie 718, Automatiseringstechniek – Sensoren en Actuatoren
Algemene kenmerken
meerminder| Artikelnummer |
86 6518 1100 00008
Alternatief bestelnummer: 09 3486 80 08
|
| Aanwijzing |
Let op: door de overgang van de oude naar de nieuwe bestelnummers kunnen er afwijkingen in de technische specificaties optreden. Gebruik voor specifieke vragen over het product de optie “Contact met Customer Service” aan de rechterkant.
meer |
| Connectorconstructie | Female panel mount connector |
| Type standaard | DIN EN 61076-2-104 |
| Codering | A-gecodeerd |
| Versie | Connector femal recht |
| Connectorvergrendeling | schroeven |
| Aansluiting | THT |
| Beschermingsgraad | IP67 |
| Grenstemperatuur van/tot | -40 °C / 85 °C |
| Mechanische levensduur | > 100 insteekcycli |
| Weight (g) | 11.77 |
| Customs tariff number | 85369010 |
| Land van herkomst | DE |
Elektrische kenmerken
meerminder| Nominale spanning | 30 V |
| Nominale stootspanning | 800 V |
| Nominale stroom | 1,5 A |
| Vervuilingsgraad | 3 |
| Overspanningscategorie | II |
| Materiaalgroep | II |
| EMC-naleving | onafgeschermd |
Materialen
meerminder| Materiaal van de behuizing | CuZn (messing, vernikkeld) |
| Materiaal van de contactbasis | PA zwart |
| Materiaal van het contact | CuSn (brons) |
| Contactbedekking | Au (goud) |
| Contactlengte | 1,5 mm |
| REACH SVHC |
CAS 7439-92-1 (Lead) |
| SCIP-nummer | 4b16fe13-e9d2-454e-984c-0bf501e18935 |
Autorisatie / goedkeuringen
meerminder| Toelatingen | UL 2238 |
Classificaties
meerminder| eCl@ss 11.1 | 27-44-01-09 |
| ETIM 9.0 | EC003569 |
Veiligheidsinstructies
- De stekker mag onder belasting niet worden aangesloten of losgekoppeld. Niet-naleving en oneigenlijk gebruik kunnen leiden tot persoonlijk letsel.
- De connectoren zijn ontwikkeld voor toepassingen in de installatietechniek, de besturing en de bouw van elektrische apparatuur. De gebruiker is verantwoordelijk voor de controle of de connectoren ook in andere toepassingsgebieden kunnen worden gebruikt.
- Aansluitingen die worden gebruikt in circuits met aanraakgevoelige spanningen mogen alleen worden geïnstalleerd en gebruikt door of onder toezicht van personen met een elektrotechnische opleiding, met inachtneming van de geldende voorschriften en normen.
- De gebruiker moet passende veiligheidsmaatregelen treffen om te voorkomen dat de connector per ongeluk wordt losgekoppeld.
- Steekverbindingen met beschermingsgraad IP67 en IP68 zijn niet geschikt voor gebruik onder water. Bij gebruik buitenshuis moeten de stekerverbindingen afzonderlijk tegen corrosie worden beschermd. Meer informatie over de IP-beschermingsgraden vindt u in het downloadcentrum "Technische informatie".
- Let op de vervuilingsgraad en de overspanningscategorie. Voor meer informatie verwijzen wij u naar het downloadcentrum "Technische informatie".
- Om de kabelconnector met de apparaatconnector te vergrendelen, wordt de moer "handvast" aangedraaid (ca. 50 cNm).
Downloads
Informatieblad
Informatieblad 86 6518 1100 00008
downloaden
Certificaten
UL-certificaat
downloaden
REACH
86 6518 1100 00008
downloaden
RoHS
86 6518 1100 00008
downloaden
China RoHS
86 6518 1100 00008
downloaden
EPLAN-gegevens
86 6518 1100 00008
downloaden
Verificatie om te downloaden
Voltooi de verificatie om door te gaan met de CAD-download.
CAD-gegevens
Selecteer het gewenste formaat



