Menu
Terug
  1. Producten
  2. Miniatuur connector
  3. M16 IP40
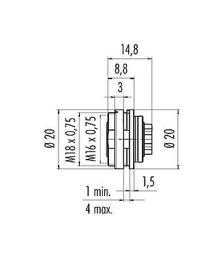
  4. M16 Female panel mount connector, aantal polen: 5 (05-a), onafgeschermd, krimpen (krimpcontacten dienen afzonderlijk te worden besteld), IP40, M18x0,75, Achterwandmontage
Artikelnr.: 09 0316 780 05

M16 Female panel mount connector, aantal polen: 5 (05-a), onafgeschermd, krimpen (krimpcontacten dienen afzonderlijk te worden besteld), IP40, M18x0,75, Achterwandmontage

M16 IP40, Serie 680, Miniatuur connectoren
Vergelijking
Downloads
Algemene kenmerken
meerminder
Artikelnummer 09 0316 780 05
Connectorconstructie Female panel mount connector
Type standaard DIN EN 61076-2-106
Versie Connector femal recht
Connectorvergrendeling schroeven
Aansluiting krimpen (krimpcontacten dienen afzonderlijk te worden besteld)
Beschermingsgraad IP40
Doorsnede aansluiting klik hier voor meer info
Grenstemperatuur van/tot -40 °C / 85 °C
Mechanische levensduur > 500 insteekcycli
Weight (g) 8.19
Customs tariff number 85369010
Land van herkomst DE
Nominale spanning 250 V
Nominale stootspanning 1500 V
Nominale stroom 6,0 A
Insulation resistance ≥ 1010 Ω
Vervuilingsgraad 1
Overspanningscategorie I
Materiaalgroep III
EMC-naleving onafgeschermd
Materiaal van de behuizing gespuitgiet zink vernikkeld
Materiaal van de contactbasis PBT (UL94 V-0)
Materiaal van het contact afhankelijk van krimpcontact (toebehoren)
REACH SVHC CAS 7439-92-1 (Lead)
SCIP-nummer 5f314bfd-abd2-4c3d-84b7-894d505f5e5c
eCl@ss 11.1 27-44-01-09
ETIM 9.0 EC003569
Copper (9903.78.01) 0.003482 kg
Veiligheidsinstructies
  1. De stekker mag onder belasting niet worden aangesloten of losgekoppeld. Niet-naleving en oneigenlijk gebruik kunnen leiden tot persoonlijk letsel.
  2. De connectoren zijn ontwikkeld voor toepassingen in de installatietechniek, de besturing en de bouw van elektrische apparatuur. De gebruiker is verantwoordelijk voor de controle of de connectoren ook in andere toepassingsgebieden kunnen worden gebruikt.
  3. Aansluitingen die worden gebruikt in circuits met aanraakgevoelige spanningen mogen alleen worden geïnstalleerd en gebruikt door of onder toezicht van personen met een elektrotechnische opleiding, met inachtneming van de geldende voorschriften en normen.
  4. De gebruiker moet passende veiligheidsmaatregelen treffen om te voorkomen dat de connector per ongeluk wordt losgekoppeld.
  5. Let op de vervuilingsgraad en de overspanningscategorie. Voor meer informatie verwijzen wij u naar het downloadcentrum "Technische informatie".
  6. Om de kabelconnector met de apparaatconnector te vergrendelen, wordt de moer "handvast" aangedraaid (ca. 60 cNm).
Downloads
Informatieblad
Informatieblad 09 0316 780 05
PDF
REACH
09 0316 780 05
PDF
RoHS
09 0316 780 05
PDF
China RoHS
09 0316 780 05
PDF
EPLAN-gegevens
09 0316 780 05
Crimpcontacten en accessoires
Gegevensblad accessoires
PDF

Verificatie om te downloaden

Voltooi de verificatie om door te gaan met de CAD-download.

CAD-gegevens
Selecteer het gewenste formaat
M16 IP40
09 0316 780 05