Menü
zurück
  1. Produkte
  2. Automatisierungstechnik - Sensorik und Aktorik
  3. M12-A
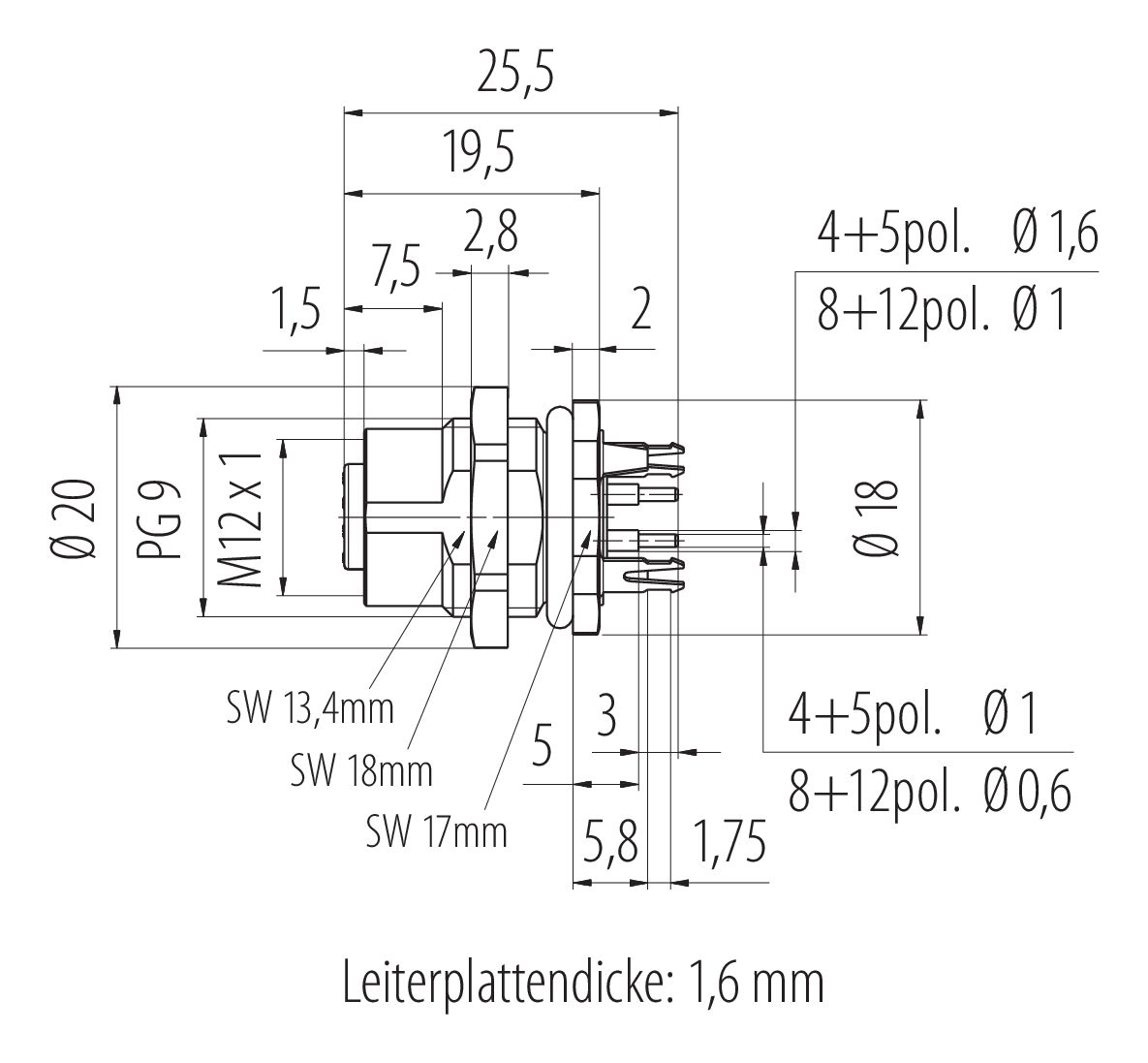
  4. M12 Flanschdose, Polzahl: 8, schirmbar, THT, IP68, UL 2238, PG 9, Rückwandmontage
Artikelnummer: 86 0532 1120 00008

M12 Flanschdose, Polzahl: 8, schirmbar, THT, IP68, UL 2238, PG 9, Rückwandmontage

M12-A, Serie 763, Automatisierungstechnik - Sensorik und Aktorik
Verfügbare Pol­zahlen
Produktvergleich
Downloads
Allgemeine Kennwerte
mehrweniger
Artikelnummer 86 0532 1120 00008
Alternative Artikelnummer: 09 3482 600 08
Hinweis
Bitte beachten Sie, dass es aufgrund der Umstellung von der alten auf die neue Bestellnummer zu Abweichungen in den technischen Spezifikationen kommen kann. Für detaillierte Fragen zum Produkt verwenden Sie bitte das "Kontakt zum Customer Service"-Modul, rechts auf dieser Webseite.
mehr
Steckverbinder-Bauform Flanschdose
Bauartnorm DIN EN 61076-2-101
Kodierung A-kodiert
Ausführung Steckverbinder Buchse gerade
Steckverbinder Verriegelung schrauben
Anschlussart THT
Schutzart IP68
Temperaturbereich von / bis -40 °C / 85 °C
Mechanische Lebensdauer > 100 Steckzyklen
Gewicht (gr) 15.76
Zolltarifnummer 85369010
Ursprungsland DE
Bemessungsspannung 30 V
Bemessungs-Stoßspannung 800 V
Bemessungsstrom 2 A (UL 1,5 A)
Isolationswiderstand > 108 Ω
Verschmutzungsgrad 3
Überspannungskategorie II
Isolierstoffgruppe III
EMV-Tauglichkeit schirmbar
Schirmanbindung Schirmblech
Material Gehäuse CuZn (Messing vernickelt)
Material Kontaktkörper PA schwarz
Material Kontakt CuSn (Bronze)
Kontaktoberfläche Au (Gold)
REACH SVHC CAS 7439-92-1 (Lead)
SCIP Nummer 5d379b4a-5c57-4610-9fda-be6308d78f07
eCl@ss 11.1 27-44-01-09
ETIM 9.0 EC003569
Sicherheitshinweise / Montagehinweise
  1. Der Steckverbinder darf nicht unter Last gesteckt oder getrennt werden. Eine Nichtbeachtung sowie unsachgemäße Verwendung kann Personenschäden zur Folge haben.
  2. Die Steckverbinder sind für Einsatzbereiche im Anlagen-, Steuerungs- und Elektrogerätebau entwickelt worden. Die Überprüfung, ob die Steckverbinder auch in anderen Einsatzgebieten verwendet werden können, obliegt dem Anwender.
  3. Zum Schutz gegen unbeabsichtigtes Öffnen des Steckverbinders, ist bei einem Einsatz in Stromkreisen mit berührungsgefährlichen Spannungen das Gewinde zwischen dem Gehäuse und dem Steckverbinderkopf mit einem geeigneten Cyanacrylatkleber zu sichern. Dies gilt nicht für Steckverbinder, die in SELV und PELV Stromkreisen nach IEC 61140 (EN 61140, VDE 0140-1) eingesetzt werden.
  4. Steckverbinder, die in Stromkreisen mit berührungsgefährlichen Spannungen eingesetzt werden, dürfen nur von, oder unter Aufsicht von Personen, die eine elektrotechnische Ausbildung besitzen, unter Berücksichtigung der geltenden Bestimmungen und Normen montiert und benutzt werden.
  5. Durch den Anwender sind geeignete Sicherheitsvorkehrungen zu treffen, damit der Steckverbinder nicht versehentlich gelöst werden kann.
  6. Steckverbinder mit der Schutzart IP67 und IP68 sind nicht für die Verwendung unter Wasser geeignet. Beim Einsatz im Freien müssen die Steckverbinder gesondert gegen Korrosion geschützt werden. Weitere Infos zu den IP Schutzarten siehe im Bereich Downloadcenter „Technische Informationen“.
  7. Zum Verriegeln des Kabelsteckverbinders mit dem Gerätesteckverbinder wird der Gewindering „handfest“ (ca. 60 cNm) angezogen.
  8. Durch den Anwender sind geeignete Sicherheitsvorkehrungen zu treffen, damit der Steckverbinder nicht versehentlich gelöst werden kann. Zusätzlich ist vom Anwender eine geeignete Kabelabfangung sicherzustellen.
Downloads
Datenblatt
Datenblatt 86 0532 1120 00008
PDF
Datenblatt, Datenblatt 86 0532 1120 00008
Zertifikat
UL Zulassung
PDF, 118.33 KB
REACH
86 0532 1120 00008
PDF
RoHS
86 0532 1120 00008
PDF
China RoHS
86 0532 1120 00008
PDF
EPLAN Daten
86 0532 1120 00008

Verifizierung für Download

Bitte schließen Sie die Verifizierung ab, um den CAD-Download fortzusetzen.

CAD-Daten
Gewünsches Format auswählen
M12-A
86 0532 1120 00008