Menü
zurück
  1. Produkte
  2. Miniatur Steckverbinder
  3. M16 IP40
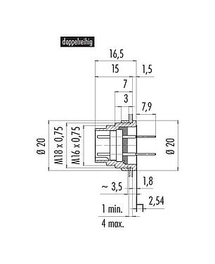
  4. M16 Flanschstecker, Polzahl: 12 (12-a), ungeschirmt, THT, IP40, M18x0,75, Rückwandmontage
Artikelnummer: 09 0331 66 12

M16 Flanschstecker, Polzahl: 12 (12-a), ungeschirmt, THT, IP40, M18x0,75, Rückwandmontage

M16 IP40, Serie 680, Miniatur Steckverbinder
Produktvergleich
Downloads
Allgemeine Kennwerte
mehrweniger
Artikelnummer 09 0331 66 12
Steckverbinder-Bauform Flanschstecker
Bauartnorm DIN EN 61076-2-106
Ausführung Steckverbinder Stift gerade
Steckverbinder Verriegelung schrauben
Anschlussart THT
Schutzart IP40
Temperaturbereich von / bis -40 °C / 85 °C
Mechanische Lebensdauer > 500 Steckzyklen
Gewicht (gr) 14.21
Zolltarifnummer 85369010
Ursprungsland DE
Bemessungsspannung 32 V
Bemessungs-Stoßspannung 500 V
Bemessungsstrom 3,0 A
Isolationswiderstand ≥ 1010 Ω
Verschmutzungsgrad 1
Überspannungskategorie I
Isolierstoffgruppe III
EMV-Tauglichkeit ungeschirmt
Material Gehäuse Zinkdruckguss vernickelt
Material Kontaktkörper PBT (UL94 V-0)
Material Kontakt CuZn (Messing)
Kontaktoberfläche Au (Gold)
REACH SVHC CAS 7439-92-1 (Lead)
SCIP Nummer 4b4cf945-8d2d-4308-ad58-5644b946eab0
eCl@ss 11.1 27-44-01-09
ETIM 9.0 EC003569
Sicherheitshinweise / Montagehinweise
  1. Der Steckverbinder darf nicht unter Last gesteckt oder getrennt werden. Eine Nichtbeachtung sowie unsachgemäße Verwendung kann Personenschäden zur Folge haben.
  2. Die Steckverbinder sind für Einsatzbereiche im Anlagen-, Steuerungs- und Elektrogerätebau entwickelt worden. Die Überprüfung, ob die Steckverbinder auch in anderen Einsatzgebieten verwendet werden können, obliegt dem Anwender.
  3. Steckverbinder, die in Stromkreisen mit berührungsgefährlichen Spannungen eingesetzt werden, dürfen nur von, oder unter Aufsicht von Personen, die eine elektrotechnische Ausbildung besitzen, unter Berücksichtigung der geltenden Bestimmungen und Normen montiert und benutzt werden.
  4. Durch den Anwender sind geeignete Sicherheitsvorkehrungen zu treffen, damit der Steckverbinder nicht versehentlich gelöst werden kann.
  5. Bitte beachten Sie die Verschmutzungsgrade und die Überspannungskategorie. Weitere Infos hierzu siehe Bereich Downloadcenter „Technische Informationen“.
  6. Zum Verriegeln des Kabelsteckverbinders mit dem Gerätesteckverbinder wird der Gewindering „handfest“ (ca. 60 cNm) angezogen.
Downloads
Datenblatt
Datenblatt 09 0331 66 12
PDF
REACH
09 0331 66 12
PDF
RoHS
09 0331 66 12
PDF
China RoHS
09 0331 66 12
PDF
EPLAN Daten
09 0331 66 12

Verifizierung für Download

Bitte schließen Sie die Verifizierung ab, um den CAD-Download fortzusetzen.

CAD-Daten
Gewünsches Format auswählen
M16 IP40
09 0331 66 12