Beställning nr: 99 3442 458 05
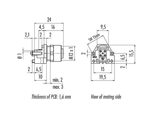
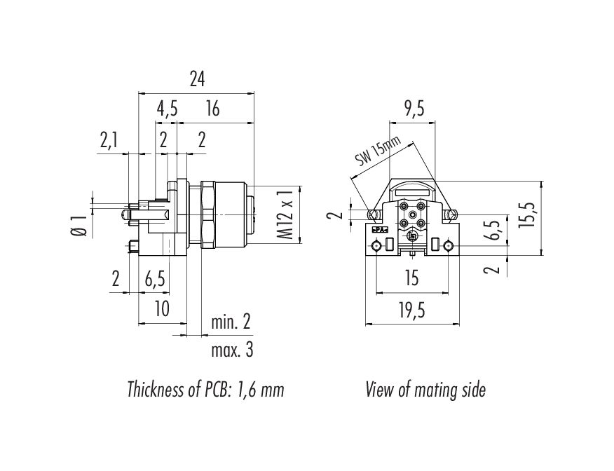
M12 Flänsuttag, antal poler: 5, kan skärmas, THR, IP68, UL 2238, M12x1,0, Frammontering, för PCB-montering
M12-A, Serie 763, Automatiseringsteknik – sensorer och ställdon
Allmänna värden
Merless| Artikelnummer | 99 3442 458 05 |
| Kontakttyp | Flänsuttag |
| Typ standard | DIN EN 61076-2-101 |
| Kodning | A-kodad |
| Version | Anslutningsdon bussning vinklad |
| Kopplingsmetod | skruvning |
| Kontakttermineringstyp | THR |
| Skyddsklass | IP68 |
| Temperaturområde från / till | -40 °C / 85 °C |
| Mekanisk livslängd | > 100 anslutningscykler |
| Vikt (gr) | 11.35 |
| Tullvarukod | 85369010 |
| Ursprungsland | HU |
Elektriska värden
Merless| Märkspänning | 60 V |
| Märkt impulsspänning | 1500 V |
| Märkström | 4 A (3 A UL) |
| Isoleringsmotstånd | > 108 Ω |
| Nedsmutsningsgrad | 3 |
| Överspänningskategori | II |
| Isolationsgrupp | III |
| EMC godkänd | kan skärmas |
| Sköldanslutning | Skyddsplatta |
Material
Merless| Material kontakthus | CuZn (mässing, förnicklad) |
| Material kontaktinsats | PA |
| Material kontaktelement | CuSn (brons) |
| Plätering kontaktelement | Au (guld) |
| REACH SVHC |
CAS 7439-92-1 (Lead) |
| SCIP nummer | f49842f9-b9a1-4d36-87ec-b2c9a456bff5 |
Autorizzazione / approvazioni
Merless| Godkännanden | UL 2238 |
Trade-Compliance
Merless| Copper (9903.78.01) | 0.002108 kg |
Säkerhetsmeddelanden
- Anslutningen får inte sättas in eller kopplas bort under belastning. Bristande efterlevnad och felaktig användning kan leda till personskada.
- Anslutningarna har utvecklats för tillämpningsområden inom anläggning, styrning och konstruktion av elektriska enheter. Det är användarens ansvar att kontrollera om anslutningarna också kan användas inom andra användningsområden.
- För att skydda mot oavsiktlig öppning av kontakten måste tråden mellan huset och kopplingshuvudet säkras med ett lämpligt cyanoakrylatlim vid användning i kretsar med spänningar som är farliga att röra vid. Detta gäller inte anslutningar som används i SELV- och PELV-kretsar enligt IEC 61140 (EN 61140, VDE 0140-1).
- Kontaktdon som används i kretsar med farliga kontaktspänningar får endast installeras och användas av eller under övervakning av personer som har utbildats i elektroteknik, med hänsyn till tillämpliga bestämmelser och standarder.
- Användaren måste vidta lämpliga säkerhetsåtgärder så att kontakten inte kan kopplas bort av misstag.
- Kontaktdon med skyddsklass IP67 och IP68 är inte lämpliga för användning under vatten. Vid användning utomhus måste kontakterna skyddas separat mot korrosion. Mer information om klasserna för IP-skydd finns i nedladdningscentret "Teknisk information".
- För att låsa kabelkontakten med enhetskontakten dras den gängade ringen "handtätt" (ca 60 cNm).
- Användaren måste vidta lämpliga säkerhetsåtgärder för att se till att kontakten inte kan kopplas ur av misstag. Dessutom måste användaren se till att kabeln är ordentligt säkrad.
Nedladdningar
Datablad
Datablad 99 3442 458 05
Nedladdning
Certifikat
UL-certifikat
Nedladdning
REACH
99 3442 458 05
Nedladdning
RoHS
99 3442 458 05
Nedladdning
China RoHS
99 3442 458 05
Nedladdning
EPLAN-data
99 3442 458 05
Nedladdning
Verifiera för nedladdning
Slutför verifieringen för att fortsätta med CAD-nedladdningen.
CAD-data
Välj önskat format




