Beställning nr: 86 8005 1101 00003
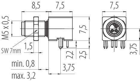
M5 Flänsplugg, vinklad, antal poler: 3, kan skärmas, lödning, IP68, UL 2238, Bakre väggmontering
M5, Serie 707, Automatiseringsteknik – sensorer och ställdon
Allmänna värden
Merless| Artikelnummer | 86 8005 1101 00003 |
| Kontakttyp | Flänsplugg, vinklad |
| Version | Anslutningsdon pin vinklad |
| Kopplingsmetod | skruvning |
| Kontakttermineringstyp | lödning |
| Skyddsklass | IP68 |
| Temperaturområde från / till | -25 °C / 85 °C |
| Mekanisk livslängd | > 100 anslutningscykler |
| Vikt (gr) | 2.76 |
| Tullvarukod | 85369010 |
| Ursprungsland | DE |
Elektriska värden
Merless| Märkspänning | 60 V |
| Märkt impulsspänning | 1500 V |
| Märkström | 1,0 A |
| Isoleringsmotstånd | > 108 Ω |
| Nedsmutsningsgrad | 3 |
| Överspänningskategori | III |
| Isolationsgrupp | III |
| EMC godkänd | kan skärmas |
Material
Merless| Material kontakthus | CuZn (mässing, förnicklad) |
| Material kontaktinsats | LCP |
| Material kontaktelement | CuZn (mässing) / CuSn (brons) |
| Plätering kontaktelement | Au (guld) |
| Kopplingsmaterial | CuZn (mässing) |
| REACH SVHC |
None (No pollutants) |
| SCIP nummer | SCIP-number not available |
Autorizzazione / approvazioni
Merless| Godkännanden | UL 2238 |
Klassificeringar
Merless| ETIM 9.0 | EC003569 |
CE-försäkran om överensstämmelse
Merless| RoHS-direktivet | EN IEC 63000:2018 |
Säkerhetsmeddelanden
- Anslutningen får inte sättas in eller kopplas bort under belastning. Bristande efterlevnad och felaktig användning kan leda till personskada.
- Anslutningarna har utvecklats för tillämpningsområden inom anläggning, styrning och konstruktion av elektriska enheter. Det är användarens ansvar att kontrollera om anslutningarna också kan användas inom andra användningsområden.
- Kontaktdon som används i kretsar med farliga kontaktspänningar får endast installeras och användas av eller under övervakning av personer som har utbildats i elektroteknik, med hänsyn till tillämpliga bestämmelser och standarder.
- Användaren måste vidta lämpliga säkerhetsåtgärder så att kontakten inte kan kopplas bort av misstag.
- Kontaktdon med skyddsklass IP67 och IP68 är inte lämpliga för användning under vatten. Vid användning utomhus måste kontakterna skyddas separat mot korrosion. Mer information om klasserna för IP-skydd finns i nedladdningscentret "Teknisk information".
- Observera graden av föroreningar och överspänningskategorin. Mer information finns i nedladdningscentret "Teknisk information".
- För att låsa kabelkontakten med enhetskontakten dras den gängade ringen "handtätt" (ca 50 cNm).
Nedladdningar
Datablad
Datablad 86 8005 1101 00003
Nedladdning
Certifikat
UL-certifikat
Nedladdning
REACH
86 8005 1101 00003
Nedladdning
RoHS
86 8005 1101 00003
Nedladdning
China RoHS
86 8005 1101 00003
Nedladdning
CE Försäkran om överensstämmelse
RoHS-direktivet
Nedladdning
UKCA Försäkran om överensstämmelse
UK-RoHS
Nedladdning
Verifiera för nedladdning
Slutför verifieringen för att fortsätta med CAD-nedladdningen.
CAD-data
Välj önskat format


