Menu
Tillbaka
  1. Produkter
  2. Automationsteknik - spänningsförsörjning och strömförsörjning
  3. M12-T
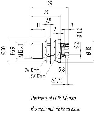
  4. M12 Flänsplugg, antal poler: 4, skärmad, THT, IP68, UL 2238, PG 9, Bakre väggmontering
Beställning nr: 86 1239 1100 00044

M12 Flänsplugg, antal poler: 4, skärmad, THT, IP68, UL 2238, PG 9, Bakre väggmontering

M12-T, Serie 813, Automatiseringsteknik - spänningsförsörjning och strömförsörjning
Produktjämförelse
Nedladdningar
Allmänna värden
Merless
Artikelnummer 86 1239 1100 00044
Kontakttyp Flänsplugg
Kodning T-kodad
Version Panelmontering Anslutningar
Kopplingsmetod skruvning
Kontakttermineringstyp THT
Skyddsklass IP68
Anslutningens tvärsnitt max. 1,50 mm² med hylsa / max. 2,50 mm² utan hylsa
Temperaturområde från / till -40 °C / 85 °C
Mekanisk livslängd > 100 anslutningscykler
Vikt (gr) 17.87
Tullvarukod 85369010
Märkspänning 63 V
Märkt impulsspänning 1500 V
Märkström 12,0 A
Isoleringsmotstånd > 108 Ω
Nedsmutsningsgrad 3
Överspänningskategori III
Isolationsgrupp II
EMC godkänd skärmad
Material kontaktinsats pressgjutgods zink förnicklat
Material kontaktelement CuZn (mässing)
Plätering kontaktelement Au (guld)
Kopplingsmaterial Pressgjutgods zink förnicklat
REACH SVHC CAS 7439-92-1 (Lead)
SCIP nummer 40746c22-ee56-4a60-bace-a84fd13221ff
Lågspänningsdirektivet EN 60204-1:2018 | EN 60529:1991
RoHS-direktivet EN IEC 63000:2018
Säkerhetsmeddelanden
  1. Anslutningen får inte sättas in eller kopplas bort under belastning. Bristande efterlevnad och felaktig användning kan leda till personskada.
  2. Anslutningarna har utvecklats för tillämpningsområden inom anläggning, styrning och konstruktion av elektriska enheter. Det är användarens ansvar att kontrollera om anslutningarna också kan användas inom andra användningsområden.
  3. Kontaktdon som används i kretsar med farliga kontaktspänningar får endast installeras och användas av eller under övervakning av personer som har utbildats i elektroteknik, med hänsyn till tillämpliga bestämmelser och standarder.
  4. Användaren måste vidta lämpliga säkerhetsåtgärder så att kontakten inte kan kopplas bort av misstag.
  5. Kontaktdon med skyddsklass IP67 och IP68 är inte lämpliga för användning under vatten. Vid användning utomhus måste kontakterna skyddas separat mot korrosion. Mer information om klasserna för IP-skydd finns i nedladdningscentret "Teknisk information".
  6. Observera graden av föroreningar och överspänningskategorin. Mer information finns i nedladdningscentret "Teknisk information".
  7. För att låsa kabelkontakten med enhetskontakten dras den gängade ringen "handtätt" (ca 60 cNm).
M12-T
86 1239 1100 00044