Artikelnummer: 76 4741 3136 00034-0200
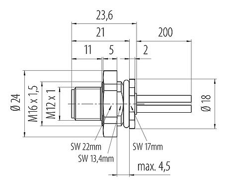
M12 Flanschstecker, Polzahl: 4, ungeschirmt, Litzen, IP68, UL 2238, M16x1,5, Rückwandmontage
M12-S, Serie 814, Automatisierungstechnik - Spannungs- und Leistungsversorgung
Allgemeine Kennwerte
mehrweniger| Artikelnummer |
76 4741 3136 00034-0200
Alternative Artikelnummer: 09 0691 320 04
|
| Hinweis |
Bitte beachten Sie, dass es aufgrund der Umstellung von der alten auf die neue Bestellnummer zu Abweichungen in den technischen Spezifikationen kommen kann. Für detaillierte Fragen zum Produkt verwenden Sie bitte das "Kontakt zum Customer Service"-Modul, rechts auf dieser Webseite.
mehr |
| Steckverbinder-Bauform | Flanschstecker |
| Bauartnorm | DIN EN IEC 61076-2-111:2018-10;VDE 0687-76-2-111:2018-10 |
| Kodierung | S-kodiert |
| Litzenlänge | 0,2 m (Standard 0,2 m. Weitere Längen sind auf Anfrage möglich.) |
| Ausführung | Steckverbinder Stift gerade |
| Steckverbinder Verriegelung | schrauben |
| Anschlussart | Litzen |
| Schutzart | IP68 |
| Anschlussquerschnitt | 1,50 mm² / AWG 16 |
| Temperaturbereich von / bis | -40 °C / 85 °C |
| Mechanische Lebensdauer | > 100 Steckzyklen |
| Gewicht (gr) | 19.03 |
| Zolltarifnummer | 85369010 |
| Ursprungsland | DE |
Elektrische Kennwerte
mehrweniger| Bemessungsspannung | 630 V |
| Bemessungs-Stoßspannung | 6000 V |
| Bemessungsstrom | 12,0 A |
| Verschmutzungsgrad | 3 |
| Überspannungskategorie | III |
| Isolierstoffgruppe | II |
| EMV-Tauglichkeit | ungeschirmt |
Werkstoffe
mehrweniger| Material Gehäuse | PA |
| Material Kontaktkörper | PA |
| Material Kontakt | CuZn (Messing) |
| Kontaktoberfläche | Au (Gold) |
| REACH SVHC |
CAS 7439-92-1 (Lead) |
| SCIP Nummer | 0947f4b4-30ef-489b-8077-788730480e38 |
Litzendaten
mehrweniger| Litzenaufbau | |
| Leitungsquerschnitt (mm²) | 4 x 1,50 mm² |
| Leitungsquerschnitt (AWG) | 4 x AWG 16 |
| Aderdurchmesser | 2,3 mm |
| Farbe Einzeladern |
gelb-grün schwarz |
| Material Aderisolation | mPPE |
| Material Leiter | Cu (verzinnt) |
| Leiteraufbau | 40 x 0,210 mm |
| Elektrische Eigenschaften | |
| Betriebsspannung | 1000 V |
| Prüfspannung | 3000 V |
| Leiterwiderstand | 14,6 Ω/Km (20°C) |
| Isolationswiderstand | 20,0 MΩ/Km (20 °C) |
| Thermische Eigenschaften | |
| Temperaturbereich Litze bewegt von / bis (°C) | -10 °C / 105 °C |
| Temperaturbereich Litze fest von / bis (°C) | -40 °C / 105 °C |
Zulassungen / Approbationen
mehrweniger| Zulassungen | UL 2238 |
Klassifikationen
mehrweniger| eCl@ss 11.1 | 27-44-01-09 |
| ETIM 9.0 | EC003569 |
Sicherheitshinweise / Montagehinweise
- Der Steckverbinder darf nicht unter Last gesteckt oder getrennt werden. Eine Nichtbeachtung sowie unsachgemäße Verwendung kann Personenschäden zur Folge haben.
- Die Steckverbinder sind für Einsatzbereiche im Anlagen-, Steuerungs- und Elektrogerätebau entwickelt worden. Die Überprüfung, ob die Steckverbinder auch in anderen Einsatzgebieten verwendet werden können, obliegt dem Anwender.
- Steckverbinder, die in Stromkreisen mit berührungsgefährlichen Spannungen eingesetzt werden, dürfen nur von, oder unter Aufsicht von Personen, die eine elektrotechnische Ausbildung besitzen, unter Berücksichtigung der geltenden Bestimmungen und Normen montiert und benutzt werden.
- Durch den Anwender sind geeignete Sicherheitsvorkehrungen zu treffen, damit der Steckverbinder nicht versehentlich gelöst werden kann.
- Steckverbinder mit der Schutzart IP67 und IP68 sind nicht für die Verwendung unter Wasser geeignet. Beim Einsatz im Freien müssen die Steckverbinder gesondert gegen Korrosion geschützt werden. Weitere Infos zu den IP Schutzarten siehe im Bereich Downloadcenter „Technische Informationen“.
- Bitte beachten Sie die Verschmutzungsgrade und die Überspannungskategorie. Weitere Infos hierzu siehe Bereich Downloadcenter „Technische Informationen“.
- Zum Verriegeln des Kabelsteckverbinders mit dem Gerätesteckverbinder wird der Gewindering „handfest“ (ca. 60 cNm) angezogen.
- Bei Kabelsteckverbindern mit metallischem Gewindering ist zwingend auf eine Verbindung mit dem PE Schutzkontakt des Gerätesteckverbinders zu achten. Verbindungsleitungen zwischen Gerätesteckern die nicht mit dem PE Kontakt verbunden sind, sind nicht zulässig. Der Anwender hat für eine durchgängige Verbindung des Schutzleiters zu sorgen.
Downloads
Datenblatt
Datenblatt 76 4741 3136 00034-0200
herunterladen
Zertifikat
UL Zulassung
herunterladen
REACH
76 4741 3136 00034-0200
herunterladen
RoHS
76 4741 3136 00034-0200
herunterladen
China RoHS
76 4741 3136 00034-0200
herunterladen
Verifizierung für Download
Bitte schließen Sie die Verifizierung ab, um den CAD-Download fortzusetzen.
CAD-Daten
Gewünsches Format auswählen




