Menü
zurück
  1. Produkte
  2. Automatisierungstechnik - Sensorik und Aktorik
  3. Kabelsplitter und Verteiler
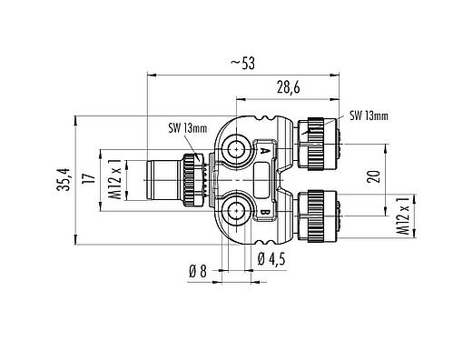
  4. M12 Zweifachverteiler, Y-Verteiler, Stecker - 2 Dosen, Polzahl: 5, ungeschirmt, steckbar, IP68, UL 2238
Artikelnummer: 79 5236 40 05

M12 Zweifachverteiler, Y-Verteiler, Stecker - 2 Dosen, Polzahl: 5, ungeschirmt, steckbar, IP68, UL 2238

M12/M8 Verbindungsleitungen, Serie 765, Automatisierungstechnik - Sensorik und Aktorik
Verfügbare Pol­zahlen
Produktvergleich
Downloads
Allgemeine Kennwerte
mehrweniger
Artikelnummer 79 5236 40 05
Steckverbinder-Bauform Zweifachverteiler, Y-Verteiler, Stecker - 2 Dosen
Bauartnorm DIN EN 61076-2-101
Kodierung A-kodiert
Ausführung Zweifachverteiler
Steckverbinder Verriegelung schrauben
Anschlussart steckbar
Schutzart IP68
Temperaturbereich von / bis -25 °C / 85 °C
Mechanische Lebensdauer > 100 Steckzyklen
Gewicht (gr) 30.00
Zolltarifnummer 85444290
Ursprungsland DE
Bemessungsspannung 60 V
Bemessungs-Stoßspannung 1500 V
Bemessungsstrom 4,0 A
Verschmutzungsgrad 3
Überspannungskategorie II
Isolierstoffgruppe II
EMV-Tauglichkeit ungeschirmt
Material Gehäuse PUR
Material Kontaktkörper PUR
Material Kontakt CuZn (Messing) / CuSn (Bronze)
Kontaktoberfläche Au (Gold)
Material Verriegelung Zinkdruckguss vernickelt
REACH SVHC CAS 7439-92-1 (Lead)
SCIP Nummer 9244d9e0-3e4b-4d27-8721-6bcbf28ccb93
eCl@ss 11.1 27-06-03-11
ETIM 9.0 EC002638
Niederspannungsrichtlinie 2014/35/EU (EN 60204-1:2018 | 2011/65/EU;EN 50581:2012 | 2014/35/EU;EN 60529:1991)
RoHS-Richtlinie 2011/65/EU (EN 50581:2012)
Sicherheitshinweise / Montagehinweise
  1. Der Steckverbinder darf nicht unter Last gesteckt oder getrennt werden. Eine Nichtbeachtung sowie unsachgemäße Verwendung kann Personenschäden zur Folge haben.
  2. Die Steckverbinder sind für Einsatzbereiche im Anlagen-, Steuerungs- und Elektrogerätebau entwickelt worden. Die Überprüfung, ob die Steckverbinder auch in anderen Einsatzgebieten verwendet werden können, obliegt dem Anwender.
  3. Steckverbinder, die in Stromkreisen mit berührungsgefährlichen Spannungen eingesetzt werden, dürfen nur von, oder unter Aufsicht von Personen, die eine elektrotechnische Ausbildung besitzen, unter Berücksichtigung der geltenden Bestimmungen und Normen montiert und benutzt werden.
  4. Durch den Anwender sind geeignete Sicherheitsvorkehrungen zu treffen, damit der Steckverbinder nicht versehentlich gelöst werden kann.
  5. Steckverbinder mit der Schutzart IP67 und IP68 sind nicht für die Verwendung unter Wasser geeignet. Beim Einsatz im Freien müssen die Steckverbinder gesondert gegen Korrosion geschützt werden. Weitere Infos zu den IP Schutzarten siehe im Bereich Downloadcenter „Technische Informationen“.
  6. Bitte beachten Sie die Verschmutzungsgrade und die Überspannungskategorie. Weitere Infos hierzu siehe Bereich Downloadcenter „Technische Informationen“.
  7. Zum Verriegeln des Kabelsteckverbinders mit dem Gerätesteckverbinder wird der Gewindering „handfest“ (ca. 60 cNm) angezogen.
Downloads
Datenblatt
Datenblatt 79 5236 40 05
PDF
Datenblatt, Datenblatt 79 5236 40 05
Zertifikat
UL Zulassung
PDF, 953.39 KB
REACH
79 5236 40 05
PDF
RoHS
79 5236 40 05
PDF
China RoHS
79 5236 40 05
PDF
CE-Konformitätserklärung, Niederspannungsrichtlinie
CE-Konformitätserklärung
Niederspannungsrichtlinie
PDF
UKCA-Konformitätserklärung, Elektrische Ausrüstung
UKCA-Konformitätserklärung
Elektrische Ausrüstung
PDF
CE-Konformitätserklärung, RoHS-Richtlinie
CE-Konformitätserklärung
RoHS-Richtlinie
PDF
UKCA-Konformitätserklärung, UK-RoHS
UKCA-Konformitätserklärung
UK-RoHS
PDF

Verifizierung für Download

Bitte schließen Sie die Verifizierung ab, um den CAD-Download fortzusetzen.

CAD-Daten
Gewünsches Format auswählen
Kabelsplitter und Verteiler
79 5236 40 05