Artikelnummer: 86 2532 1100 00004
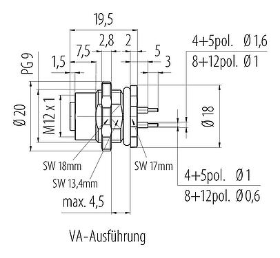
M12 Flanschdose, Polzahl: 5, ungeschirmt, THT, IP68, UL 2238, PG 9, Rückwandmontage, Edelstahl
M12-A, Serie 763, Automatisierungstechnik - Sensorik und Aktorik
Allgemeine Kennwerte
mehrweniger| Artikelnummer | 86 2532 1100 00004 |
| Steckverbinder-Bauform | Flanschdose |
| Kodierung | A-kodiert |
| Ausführung | Steckverbinder Buchse gerade |
| Steckverbinder Verriegelung | schrauben |
| Anschlussart | THT |
| Schutzart | IP68 |
| Temperaturbereich von / bis | -40 °C / 85 °C |
| Mechanische Lebensdauer | > 100 Steckzyklen |
| Gewicht (gr) | 13.98 |
| Zolltarifnummer | 85369010 |
| Ursprungsland | DE |
Elektrische Kennwerte
mehrweniger| Bemessungsspannung | 250 V |
| Bemessungs-Stoßspannung | 2500 V |
| Bemessungsstrom | 4 A (3 A UL) |
| Isolationswiderstand | > 108 Ω |
| Verschmutzungsgrad | 3 |
| Überspannungskategorie | II |
| Isolierstoffgruppe | III |
| EMV-Tauglichkeit | ungeschirmt |
Werkstoffe
mehrweniger| Material Gehäuse | Edelstahl |
| Material Kontaktkörper | PA |
| Material Kontakt | CuSn (Bronze) |
| Kontaktoberfläche | Au (Gold) |
| Kontaktlänge | 6,0 mm |
| REACH SVHC |
CAS 7439-92-1 (Lead) |
| SCIP Nummer | cf90dbf3-4eb3-4ab6-b8e7-3443fb06a4e7 |
Zulassungen / Approbationen
mehrweniger| Zulassungen | UL 2238 |
Sicherheitshinweise / Montagehinweise
- Der Steckverbinder darf nicht unter Last gesteckt oder getrennt werden. Eine Nichtbeachtung sowie unsachgemäße Verwendung kann Personenschäden zur Folge haben.
- Die Steckverbinder sind für Einsatzbereiche im Anlagen-, Steuerungs- und Elektrogerätebau entwickelt worden. Die Überprüfung, ob die Steckverbinder auch in anderen Einsatzgebieten verwendet werden können, obliegt dem Anwender.
- Zum Schutz gegen unbeabsichtigtes Öffnen des Steckverbinders, ist bei einem Einsatz in Stromkreisen mit berührungsgefährlichen Spannungen das Gewinde zwischen dem Gehäuse und dem Steckverbinderkopf mit einem geeigneten Cyanacrylatkleber zu sichern. Dies gilt nicht für Steckverbinder, die in SELV und PELV Stromkreisen nach IEC 61140 (EN 61140, VDE 0140-1) eingesetzt werden.
- Steckverbinder, die in Stromkreisen mit berührungsgefährlichen Spannungen eingesetzt werden, dürfen nur von, oder unter Aufsicht von Personen, die eine elektrotechnische Ausbildung besitzen, unter Berücksichtigung der geltenden Bestimmungen und Normen montiert und benutzt werden.
- Durch den Anwender sind geeignete Sicherheitsvorkehrungen zu treffen, damit der Steckverbinder nicht versehentlich gelöst werden kann.
- Steckverbinder mit der Schutzart IP67 und IP68 sind nicht für die Verwendung unter Wasser geeignet. Beim Einsatz im Freien müssen die Steckverbinder gesondert gegen Korrosion geschützt werden. Weitere Infos zu den IP Schutzarten siehe im Bereich Downloadcenter „Technische Informationen“.
- Bitte beachten Sie die Verschmutzungsgrade und die Überspannungskategorie. Weitere Infos hierzu siehe Bereich Downloadcenter „Technische Informationen“.
- Zum Verriegeln des Kabelsteckverbinders mit dem Gerätesteckverbinder wird der Gewindering „handfest“ (ca. 60 cNm) angezogen.
- Die Schutzart-Angabe gilt unter der Voraussetzung, dass die vier Montagebohrungen als Sacklöcher ausgeführt sind.
Downloads
Datenblatt
Datenblatt 86 2532 1100 00004
herunterladen
Zertifikat
UL Zulassung
herunterladen
REACH
86 2532 1100 00004
herunterladen
RoHS
86 2532 1100 00004
herunterladen
China RoHS
86 2532 1100 00004
herunterladen
Verifizierung für Download
Bitte schließen Sie die Verifizierung ab, um den CAD-Download fortzusetzen.
CAD-Daten
Gewünsches Format auswählen




