Menü
zurück
  1. Produkte
  2. Automatisierungstechnik - Datenübertragung
  3. M12-D
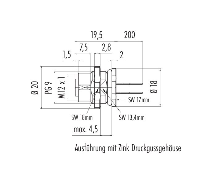
  4. M12 Flanschdose, Polzahl: 4, ungeschirmt, Litzen, IP67, UL 2238, PG 9, Rückwandmontage
Artikelnummer: 76 0536 1011 00404-0200

M12 Flanschdose, Polzahl: 4, ungeschirmt, Litzen, IP67, UL 2238, PG 9, Rückwandmontage

M12-D, Serie 876, Automatisierungstechnik - Datenübertragung
Produktvergleich
Downloads
Allgemeine Kennwerte
mehrweniger
Artikelnummer 76 0536 1011 00404-0200
Alternative Artikelnummer: 09 3732 87 04
Hinweis
Bitte beachten Sie, dass es aufgrund der Umstellung von der alten auf die neue Bestellnummer zu Abweichungen in den technischen Spezifikationen kommen kann. Für detaillierte Fragen zum Produkt verwenden Sie bitte das "Kontakt zum Customer Service"-Modul, rechts auf dieser Webseite.
mehr
Steckverbinder-Bauform Flanschdose
Bauartnorm DIN EN 61076-2-101
Kodierung D-kodiert
Litzenlänge 0,2 m (Standard 0,2 m. Weitere Längen sind auf Anfrage möglich.)
Ausführung Steckverbinder, Buchse, gerade
Steckverbinder Verriegelung schrauben
Anschlussart Litzen
Schutzart IP67
Anschlussquerschnitt 0,25 mm² / AWG 24
Temperaturbereich von / bis -40 °C / 85 °C
Mechanische Lebensdauer > 100 Steckzyklen
Gewicht (gr) 17.40
Zolltarifnummer 85369010
Ursprungsland DE
Bemessungsspannung 250 V
Bemessungs-Stoßspannung 2500 V
Bemessungsstrom 4,0 A
Isolationswiderstand > 1010 Ω
Verschmutzungsgrad 3
Übertragungseigenschaft CAT 5
Überspannungskategorie II
Isolierstoffgruppe II
EMV-Tauglichkeit ungeschirmt
Material Gehäuse Zinkdruckguss vernickelt
Material Kontaktkörper PA
Material Kontakt CuSn (Bronze)
Kontaktoberfläche Au (Gold)
Material Verriegelung Zinkdruckguss vernickelt
REACH SVHC CAS 7439-92-1 (Lead)
SCIP Nummer d7c50d94-d83a-4de7-8bac-4b2a34293934
Litzenaufbau
Leitungsquerschnitt (mm²) 4 x 0,25 mm²
Leitungsquerschnitt (AWG) 4 x AWG 24
Aderdurchmesser 1,5 mm
Farbe Einzeladern weiss
gelb
blau
orange
Material Aderisolation PVC
Material Leiter Cu (verzinnt)
Leiteraufbau 7 x 0,203 mm
Elektrische Eigenschaften
Betriebsspannung 300 V
Prüfspannung 3000 V
Leiterwiderstand 90 Ω/Km (20°C)
Isolationswiderstand 20,0 MΩ/Km (20 °C)
Thermische Eigenschaften
Temperaturbereich Litze bewegt von / bis (°C) -10 °C / 105 °C
Temperaturbereich Litze fest von / bis (°C) -30 °C / 105 °C
eCl@ss 11.1 27-44-01-03
ETIM 9.0 EC003570
Sicherheitshinweise / Montagehinweise
  1. Der Steckverbinder darf nicht unter Last gesteckt oder getrennt werden. Eine Nichtbeachtung sowie unsachgemäße Verwendung kann Personenschäden zur Folge haben.
  2. Die Steckverbinder sind für Einsatzbereiche im Anlagen-, Steuerungs- und Elektrogerätebau entwickelt worden. Die Überprüfung, ob die Steckverbinder auch in anderen Einsatzgebieten verwendet werden können, obliegt dem Anwender.
  3. Steckverbinder, die in Stromkreisen mit berührungsgefährlichen Spannungen eingesetzt werden, dürfen nur von, oder unter Aufsicht von Personen, die eine elektrotechnische Ausbildung besitzen, unter Berücksichtigung der geltenden Bestimmungen und Normen montiert und benutzt werden.
  4. Durch den Anwender sind geeignete Sicherheitsvorkehrungen zu treffen, damit der Steckverbinder nicht versehentlich gelöst werden kann.
  5. Steckverbinder mit der Schutzart IP67 und IP68 sind nicht für die Verwendung unter Wasser geeignet. Beim Einsatz im Freien müssen die Steckverbinder gesondert gegen Korrosion geschützt werden. Weitere Infos zu den IP Schutzarten siehe im Bereich Downloadcenter „Technische Informationen“.
  6. Bitte beachten Sie die Verschmutzungsgrade und die Überspannungskategorie. Weitere Infos hierzu siehe Bereich Downloadcenter „Technische Informationen“.
  7. Zum Verriegeln des Kabelsteckverbinders mit dem Gerätesteckverbinder wird der Gewindering „handfest“ (ca. 60 cNm) angezogen.
Downloads
Datenblatt
Datenblatt 76 0536 1011 00404-0200
PDF
Datenblatt, Datenblatt 76 0536 1011 00404-0200
Zertifikat
UL Zulassung
PDF, 118.33 KB
REACH
76 0536 1011 00404-0200
PDF
RoHS
76 0536 1011 00404-0200
PDF
China RoHS
76 0536 1011 00404-0200
PDF
EPLAN Daten
76 0536 1011 00404-0200

Verifizierung für Download

Bitte schließen Sie die Verifizierung ab, um den CAD-Download fortzusetzen.

CAD-Daten
Gewünsches Format auswählen
M12-D
76 0536 1011 00404-0200