Beställning nr: 76 0244 0015 00044-0200
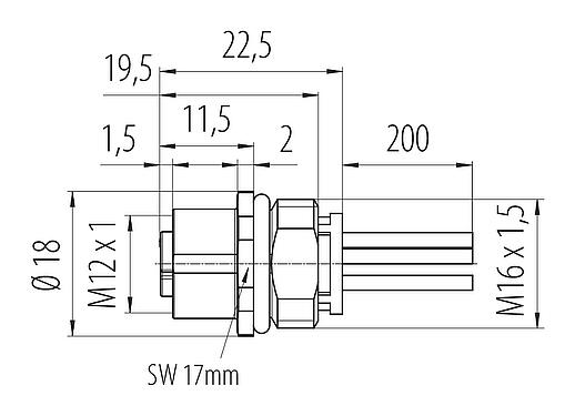
M12 Flänsuttag, antal poler: 4, oskärmad, flätad kabel, IP68, UL 2238, M16x1,5, Frammontering
M12-L, Serie 823, Automatiseringsteknik - spänningsförsörjning och strömförsörjning
Allmänna värden
Merless| Artikelnummer | 76 0244 0015 00044-0200 |
| Kontakttyp | Flänsuttag |
| Kodning | L-kodad |
| Enkeltrådens längd | 0,2 m (Standard 0,2 m. Andra längder finns tillgängliga på begäran). |
| Version | Anslutningsdon bussning rakt |
| Kopplingsmetod | skruvning |
| Kontakttermineringstyp | flätad kabel |
| Skyddsklass | IP68 |
| Anslutningens tvärsnitt | AWG 16 |
| Temperaturområde från / till | -40 °C / 105 °C |
| Mekanisk livslängd | > 100 anslutningscykler |
| Vikt (gr) | 52.54 |
| Tullvarukod | 85369010 |
| Ursprungsland | DE |
Elektriska värden
Merless| Märkspänning | 63 V |
| Märkt impulsspänning | 1500 V |
| Märkström | 12,0 A |
| Isoleringsmotstånd | > 1010 Ω |
| Nedsmutsningsgrad | 3 |
| Överspänningskategori | III |
| EMC godkänd | oskärmad |
Material
Merless| Material kontaktinsats | PA |
| Material kontaktelement | CuSn (brons) |
| Plätering kontaktelement | Au (guld) |
| REACH SVHC |
CAS 7439-92-1 (Lead) |
| PFAS närvarande | f9f08eb0-15cf-46b3-8593-b94200df222b |
Autorizzazione / approvazioni
Merless| Godkännanden | UL 2238 |
CE-försäkran om överensstämmelse
Merless| Lågspänningsdirektivet | 2014/35/EU (EN 60529:1991;2009/125/EG) |
Säkerhetsmeddelanden
- Anslutningen får inte sättas in eller kopplas bort under belastning. Bristande efterlevnad och felaktig användning kan leda till personskada.
- Anslutningarna har utvecklats för tillämpningsområden inom anläggning, styrning och konstruktion av elektriska enheter. Det är användarens ansvar att kontrollera om anslutningarna också kan användas inom andra användningsområden.
- Kontaktdon som används i kretsar med farliga kontaktspänningar får endast installeras och användas av eller under övervakning av personer som har utbildats i elektroteknik, med hänsyn till tillämpliga bestämmelser och standarder.
- Användaren måste vidta lämpliga säkerhetsåtgärder så att kontakten inte kan kopplas bort av misstag.
- Kontaktdon med skyddsklass IP67 och IP68 är inte lämpliga för användning under vatten. Vid användning utomhus måste kontakterna skyddas separat mot korrosion. Mer information om klasserna för IP-skydd finns i nedladdningscentret "Teknisk information".
- Observera graden av föroreningar och överspänningskategorin. Mer information finns i nedladdningscentret "Teknisk information".
- För att låsa kabelkontakten med enhetskontakten dras den gängade ringen "handtätt" (ca 60 cNm).
Nedladdningar
Datablad
Datablad 76 0244 0015 00044-0200
Nedladdning
Certifikat
UL-certifikat
Nedladdning
REACH
76 0244 0015 00044-0200
Nedladdning
RoHS
76 0244 0015 00044-0200
Nedladdning
China RoHS
76 0244 0015 00044-0200
Nedladdning
CE Försäkran om överensstämmelse
Lågspänningsdirektivet
Nedladdning
UKCA Försäkran om överensstämmelse
Elektrisk utrustning
Nedladdning
CAD-data
STP-Data 76 0244 0015 00044-0200
Nedladdning
CAD-data
Other formats
TraceParts




