Beställning nr: 09 0327 90 07
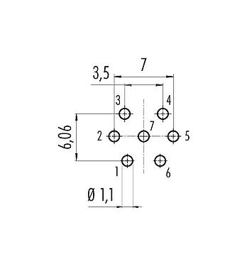
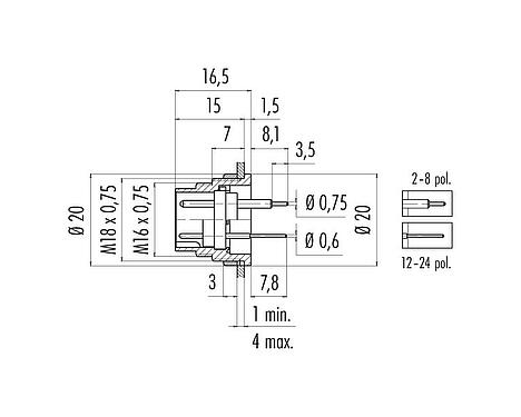
M16 Flänsplugg, antal poler: 7 (07-a), oskärmad, THT, IP40, M18x0,75, Bakre väggmontering
M16 IP40, Serie 680, Miniatyrkontakter
Allmänna värden
Merless| Artikelnummer | 09 0327 90 07 |
| Kontakttyp | Flänsplugg |
| Typ standard | DIN EN 61076-2-106 |
| Version | Anslutningsdon pin rakt |
| Kopplingsmetod | skruvning |
| Kontakttermineringstyp | THT |
| Skyddsklass | IP40 |
| Temperaturområde från / till | -40 °C / 85 °C |
| Mekanisk livslängd | > 500 anslutningscykler |
| Vikt (gr) | 12.51 |
| Tullvarukod | 85369010 |
| Ursprungsland | DE |
Elektriska värden
Merless| Märkspänning | 125 V |
| Märkt impulsspänning | 800 V |
| Märkström | 5,0 A |
| Isoleringsmotstånd | ≥ 1010 Ω |
| Nedsmutsningsgrad | 1 |
| Överspänningskategori | I |
| Isolationsgrupp | III |
| EMC godkänd | oskärmad |
Material
Merless| Material kontakthus | pressgjutgods zink förnicklat |
| Material kontaktinsats | PBT (UL94 V-0) |
| Material kontaktelement | CuZn (mässing) |
| Plätering kontaktelement | Ag (silver) |
| REACH SVHC |
CAS 7439-92-1 (Lead) |
| SCIP nummer | 367927d0-3afb-4865-ac88-e8f4f691723e |
Klassificeringar
Merless| eCl@ss 11.1 | 27-44-01-09 |
| ETIM 9.0 | EC003569 |
Trade-Compliance
Merless| Copper (9903.78.01) | 0.004874 kg |
Säkerhetsmeddelanden
- Anslutningen får inte sättas in eller kopplas bort under belastning. Bristande efterlevnad och felaktig användning kan leda till personskada.
- Anslutningarna har utvecklats för tillämpningsområden inom anläggning, styrning och konstruktion av elektriska enheter. Det är användarens ansvar att kontrollera om anslutningarna också kan användas inom andra användningsområden.
- Kontaktdon som används i kretsar med farliga kontaktspänningar får endast installeras och användas av eller under övervakning av personer som har utbildats i elektroteknik, med hänsyn till tillämpliga bestämmelser och standarder.
- Användaren måste vidta lämpliga säkerhetsåtgärder så att kontakten inte kan kopplas bort av misstag.
- Observera graden av föroreningar och överspänningskategorin. Mer information finns i nedladdningscentret "Teknisk information".
- För att låsa kabelkontakten med enhetskontakten dras den gängade ringen "handtätt" (ca 60 cNm).
Nedladdningar
Datablad
Datablad 09 0327 90 07
Nedladdning
REACH
09 0327 90 07
Nedladdning
RoHS
09 0327 90 07
Nedladdning
China RoHS
09 0327 90 07
Nedladdning
EPLAN-data
09 0327 90 07
Nedladdning
Verifiera för nedladdning
Slutför verifieringen för att fortsätta med CAD-nedladdningen.
CAD-data
Välj önskat format




