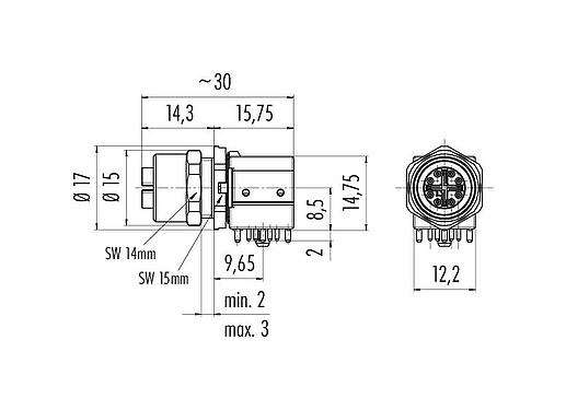
Artikelnr.: 99 3782 202 08
M12 Female panel mount connector, aantal polen: 8, schermbaar, THT, IP67, UL, M12x1,0, Achterwandmontage
M12-X, Serie 876, Automatiseringstechniek – Gegevensoverdracht
Algemene kenmerken
meerminder| Artikelnummer | 99 3782 202 08 |
| Connectorconstructie | Female panel mount connector |
| Type standaard | DIN EN 61076-2-109 |
| Codering | X-gecodeerd |
| Versie | Connector femal haaks |
| Connectorvergrendeling | schroeven |
| Aansluiting | THT |
| Beschermingsgraad | IP67 |
| Grenstemperatuur van/tot | -40 °C / 85 °C |
| Mechanische levensduur | > 100 insteekcycli |
| Weight (g) | 14.05 |
| Customs tariff number | 85369010 |
| Land van herkomst | DE |
Elektrische kenmerken
meerminder| Nominale spanning | 50 V (AC) / 60 V (DC) |
| Nominale stroom | 0,5 A |
| Insulation resistance | > 108 Ω |
| Vervuilingsgraad | 3 |
| Transmissiesnelheid | CAT 6A |
| Overspanningscategorie | II |
| Materiaalgroep | III |
| EMC-naleving | schermbaar |
| Shield verbinding | Afschermingspin |
Materialen
meerminder| Materiaal van de behuizing | gespuitgiet zink vernikkeld |
| Materiaal van de contactbasis | PA |
| Materiaal van het contact | CuSn (brons) |
| Contactbedekking | Au (goud) |
| Vergrendelingsmateriaal | CuZn (messing) |
| REACH SVHC |
CAS 7439-92-1 (Lead) |
| SCIP-nummer | 4b39bf3a-d7fa-4bf5-8c05-950d4ec21b28 |
Autorisatie / goedkeuringen
meerminder| Toelatingen | UL |
Classificaties
meerminder| eCl@ss 11.1 | 27-44-01-02 |
| ETIM 9.0 | EC002635 |
Veiligheidsinstructies
- De stekker mag onder belasting niet worden aangesloten of losgekoppeld. Niet-naleving en oneigenlijk gebruik kunnen leiden tot persoonlijk letsel.
- De connectoren zijn ontwikkeld voor toepassingen in de installatietechniek, de besturing en de bouw van elektrische apparatuur. De gebruiker is verantwoordelijk voor de controle of de connectoren ook in andere toepassingsgebieden kunnen worden gebruikt.
- Aansluitingen die worden gebruikt in circuits met aanraakgevoelige spanningen mogen alleen worden geïnstalleerd en gebruikt door of onder toezicht van personen met een elektrotechnische opleiding, met inachtneming van de geldende voorschriften en normen.
- De gebruiker moet passende veiligheidsmaatregelen treffen om te voorkomen dat de connector per ongeluk wordt losgekoppeld.
- Steekverbindingen met beschermingsgraad IP67 en IP68 zijn niet geschikt voor gebruik onder water. Bij gebruik buitenshuis moeten de stekerverbindingen afzonderlijk tegen corrosie worden beschermd. Meer informatie over de IP-beschermingsgraden vindt u in het downloadcentrum "Technische informatie".
- Let op de vervuilingsgraad en de overspanningscategorie. Voor meer informatie verwijzen wij u naar het downloadcentrum "Technische informatie".
- Om de kabelconnector met de apparaatconnector te vergrendelen, wordt de moer "handvast" aangedraaid (ca. 60 cNm).
Downloads
Informatieblad
Informatieblad 99 3782 202 08
downloaden
Certificaten
UL-certificaat
downloaden
REACH
99 3782 202 08
downloaden
RoHS
99 3782 202 08
downloaden
China RoHS
99 3782 202 08
downloaden
EPLAN-gegevens
99 3782 202 08
downloaden
Verificatie om te downloaden
Voltooi de verificatie om door te gaan met de CAD-download.
CAD-gegevens
Selecteer het gewenste formaat




